

Renesas ISL6225CAZA
Manufacturer No:
ISL6225CAZA
Manufacturer:
Package:
SSOP
Description:
5.5V 260 Cel DUAL Specialized Voltage Regulator 28 Pins 28 Terminations SSOP
Quantity:
Delivery:




Payment:







In Stock :Available
Price not displayed? Please send an RFQ, and we will respond immediately.
ISL6225CAZA information
Renesas ISL6225CAZA technical specifications, attributes, parameters and parts with similar specifications to Renesas ISL6225CAZA.
- Type
- Parameter
- Mount
- Surface Mount
- Package / Case
- SSOP
- Published
- 2002
- JESD-609 Code
- e3
- Moisture Sensitivity Level (MSL)
- 3 (168 Hours)
- Number of Terminations
- 28
- ECCN Code
- EAR99
- Terminal Finish
- Matte Tin (Sn) - annealed
- Max Operating Temperature
- 85°C
- Min Operating Temperature
- -10°C
- Subcategory
- Switching Regulator or Controllers
- Terminal Position
- DUAL
- Terminal Form
- GULL WING
- Peak Reflow Temperature (Cel)
- 260
- Number of Functions
- 1
- Terminal Pitch
- 0.635mm
- Time@Peak Reflow Temperature-Max (s)
- 30
- Pin Count
- 28
- Number of Outputs
- 2
- Qualification Status
- Not Qualified
- Operating Supply Voltage
- 5V
- Input Voltage-Nom
- 5V
- Temperature Grade
- OTHER
- Analog IC - Other Type
- DUAL SWITCHING CONTROLLER
- Voltage - Output
- 5.5V
- Control Mode
- CURRENT-MODE
- Frequency - Switching
- 300kHz
- Control Technique
- PULSE WIDTH MODULATION
- Switcher Configuration
- PUSH-PULL
- Length
- 9.905mm
- Height Seated (Max)
- 1.75mm
- Width
- 3.895mm
- RoHS Status
- RoHS Compliant
- Lead Free
- Lead Free
Download datasheets and manufacturer documentation for Renesas ISL6225CAZA.
Datasheets:
ISL6225CAZA Overview
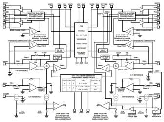
The system supports a total of 2 outputs. In order to facilitate transportation, alternator regulator is packaged in SSOP. The output voltage of this voltage controller is 5.5V. The voltage regulator has 28terminals. It has received a great deal of support as a DUAL SWITCHING CONTROLLER regulator. The pinout of the rectifier regulator begins with the pins it has at 28. Mounting on PCBs or other boards is easy with the Surface Mount. It is important to note that other Switching Regulator or Controllers in the industry, such as the voltage controller, also play a significant part. The product cannot be used at temperatures below -10°C. A temperature above 85°C is not recommended. It is necessary to have a voltage of 5V for normal operation. There is a 300kHzswitching frequency on this voltage regulator.
ISL6225CAZA Features
DUAL SWITCHING CONTROLLER analog IC
Supply voltage: 5V
Switching at 300kHz
ISL6225CAZA Applications
There are a lot of Intersil (Renesas Electronics America)
ISL6225CAZA Specialized Voltage Regulators applications.
- LCD-TV/PDP-TV
- Copier/Printer
- Set-Top Box
- DDR Vooo and V? Voltage Generation
- PC Dual Power Supply
- Server DDR Power
- Desktop Computer
- Graphics Cards
- Cell Phones
- Wireless Modems
User Guide
Please verify all part numbers, quantities, and packaging preferences before placing your order. If substitutions are acceptable, please indicate this clearly. For time-sensitive projects, confirm estimated delivery dates and stock availability in advance. Once submitted, changes or cancellations may not be possible, especially for items marked as non-cancellable/non-returnable (NCNR). For international shipments, please ensure all import documentation is complete and accurate to avoid delays.
MEANS OF PAYMENTFor your convenience, we accept multiple payment methods in USD, including PayPal, Credit Card, and Wire Transfer. Net terms may be available for qualified customers upon approval.
RFQ (REQUEST FOR QUOTATIONS)Please ensure the part numbers and quantities are accurate and complete when submitting your RFQ.
Provide target prices and acceptable alternatives, if any, to speed up the quotation process.
Quotations are subject to stock availability and may vary with market conditions. Prices and lead times are not guaranteed until a purchase order is confirmed. Ensure your contact details are correct to avoid delays in response.

Step1:Prepare product

Step2:Desiccant Protection

Step3:Vacuum Packaging

Step4:Individual Package

Step5:Anti-collision Filling

Step6:Packaging Box
1. Shipping starts at $40, but some countries will exceed $40. For example (South Africa, Brazil, India, Pakistan, Israel, etc.).
2. Some specific products need to reach the minimum order quantity.
3. It may cost additional remote fees for delivery if you are in a remote area.
Currently, our products are shipped through DHL, FedEx, SF, and UPS.
DELIVERY TIME1. Once the goods are shipped, estimated delivery time depends on the shipping methods you chose: FedEx International, 5-7 business days.
2. For in-stock parts, orders normally could be shipped out within 1-2days.
ISL6225CAZA Relevant information
The following parts are popular search parts in Integrated Circuits (ICs).
AIChipLink – Your Trusted Electronic Components Distributor
12.28 M
Listed Part Number3,000+
Leading Manufacturers4.9 M
In-stock SKU15,000+
Warehouse Area(㎡)







