

Renesas ISL6253HAZ
Manufacturer No:
ISL6253HAZ
Manufacturer:
Package:
SSOP
Description:
1 Channel DUAL Battery Management ICs 18V 28 Pins SSOP
Quantity:
Delivery:




Payment:







In Stock :Available
Price not displayed? Please send an RFQ, and we will respond immediately.
ISL6253HAZ information
Renesas ISL6253HAZ technical specifications, attributes, parameters and parts with similar specifications to Renesas ISL6253HAZ.
- Type
- Parameter
- Mount
- Surface Mount
- Package / Case
- SSOP
- Number of Pins
- 28
- Packaging
- Bulk
- Published
- 2002
- JESD-609 Code
- e3
- Pbfree Code
- yes
- Part Status
- Active
- Moisture Sensitivity Level (MSL)
- 3 (168 Hours)
- Number of Terminations
- 28
- ECCN Code
- EAR99
- Terminal Finish
- Matte Tin (Sn) - annealed
- Max Operating Temperature
- 100°C
- Min Operating Temperature
- -10°C
- HTS Code
- 8542.39.00.01
- Subcategory
- Switching Regulator or Controllers
- Terminal Position
- DUAL
- Terminal Form
- GULL WING
- Peak Reflow Temperature (Cel)
- 260
- Number of Functions
- 1
- Supply Voltage
- 18V
- Terminal Pitch
- 0.635mm
- Time@Peak Reflow Temperature-Max (s)
- 30
- Pin Count
- 28
- Temperature Grade
- OTHER
- Supply Voltage-Min (Vsup)
- 7V
- Number of Channels
- 1
- Analog IC - Other Type
- POWER SUPPLY SUPPORT CIRCUIT
- Adjustable Threshold
- YES
- Voltage - Output
- 4.2V
- Control Mode
- CURRENT-MODE
- Output Current-Max
- 0.5A
- Switching Frequency-Max
- 360kHz
- Length
- 9.905mm
- Height Seated (Max)
- 1.75mm
- Width
- 3.895mm
- REACH SVHC
- No SVHC
- Radiation Hardening
- No
- RoHS Status
- RoHS Compliant
- Lead Free
- Lead Free
Download datasheets and manufacturer documentation for Renesas ISL6253HAZ.
Datasheets:
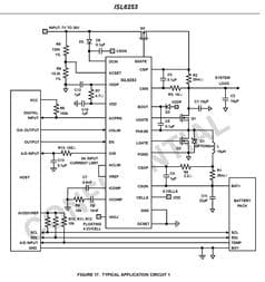
ISL6253HAZ Overview
The SSOP package is appropriate for it. This power IC uses an analog IC called POWER SUPPLY SUPPORT CIRCUIT. Channels are available on 1. There are 28 pins on it. The smart tools battery is packaged in a Bulk case. To mount this electronic component, use Surface Mount. Switching Regulator or Controllers is the family name of this electrical component. It should not be less than -10°C in order to activate this power management IC. Temperatures below 100°C are recommended for its use. This battery management IC should always be set to 18V. It has a total of 28 pins. A voltage greater than 7V is required for Vsup (supply voltage). The operating supply voltage for this power management IC is specified as 25V. The output voltage is 4.2V.
ISL6253HAZ Features
Available in SSOP Package
with 28 Pins
operate supply voltage at the range of 18V
ISL6253HAZ Applications
There are a lot of Intersil (Renesas Electronics America)
ISL6253HAZ Battery Management ICs applications.
- Electric cars
- Trucks
- Non-road type vehicles
- Golf carts
- Electric-powered machinery
- Fork lifts
- Grid power infrastructure
- Cell phone towers
- A/C power substations
- Internet infrastructure equipment
User Guide
Please verify all part numbers, quantities, and packaging preferences before placing your order. If substitutions are acceptable, please indicate this clearly. For time-sensitive projects, confirm estimated delivery dates and stock availability in advance. Once submitted, changes or cancellations may not be possible, especially for items marked as non-cancellable/non-returnable (NCNR). For international shipments, please ensure all import documentation is complete and accurate to avoid delays.
MEANS OF PAYMENTFor your convenience, we accept multiple payment methods in USD, including PayPal, Credit Card, and Wire Transfer. Net terms may be available for qualified customers upon approval.
RFQ (REQUEST FOR QUOTATIONS)Please ensure the part numbers and quantities are accurate and complete when submitting your RFQ.
Provide target prices and acceptable alternatives, if any, to speed up the quotation process.
Quotations are subject to stock availability and may vary with market conditions. Prices and lead times are not guaranteed until a purchase order is confirmed. Ensure your contact details are correct to avoid delays in response.

Step1:Prepare product

Step2:Desiccant Protection

Step3:Vacuum Packaging

Step4:Individual Package

Step5:Anti-collision Filling

Step6:Packaging Box
1. Shipping starts at $40, but some countries will exceed $40. For example (South Africa, Brazil, India, Pakistan, Israel, etc.).
2. Some specific products need to reach the minimum order quantity.
3. It may cost additional remote fees for delivery if you are in a remote area.
Currently, our products are shipped through DHL, FedEx, SF, and UPS.
DELIVERY TIME1. Once the goods are shipped, estimated delivery time depends on the shipping methods you chose: FedEx International, 5-7 business days.
2. For in-stock parts, orders normally could be shipped out within 1-2days.
ISL6253HAZ Relevant information
The following parts are popular search parts in Integrated Circuits (ICs).
AIChipLink – Your Trusted Electronic Components Distributor
12.28 M
Listed Part Number3,000+
Leading Manufacturers4.9 M
In-stock SKU15,000+
Warehouse Area(㎡)






