

Renesas ISL9443IRZ
Manufacturer No:
ISL9443IRZ
Manufacturer:
Package:
QFN
Description:
32 Terminals 32-Pin DC to DC converter IC SWITCHING CONTROLLER 3 Outputs 1.2MHz
Quantity:
Delivery:




Payment:







In Stock :Available
Price not displayed? Please send an RFQ, and we will respond immediately.
ISL9443IRZ information
Renesas ISL9443IRZ technical specifications, attributes, parameters and parts with similar specifications to Renesas ISL9443IRZ.
- Type
- Parameter
- Mount
- Surface Mount
- Package / Case
- QFN
- Number of Pins
- 32
- Published
- 2011
- JESD-609 Code
- e3
- Part Status
- Active
- Moisture Sensitivity Level (MSL)
- 2 (1 Year)
- Number of Terminations
- 32
- ECCN Code
- EAR99
- Terminal Finish
- Matte Tin (Sn) - annealed
- Max Operating Temperature
- 85°C
- Min Operating Temperature
- -40°C
- Additional Feature
- ALSO OPERATES AS LDO REGULATOR
- Subcategory
- Switching Regulator or Controllers
- Terminal Position
- QUAD
- Number of Functions
- 1
- Pin Count
- 32
- Number of Outputs
- 3
- Operating Supply Voltage
- 12V
- Input Voltage-Nom
- 12V
- Temperature Grade
- INDUSTRIAL
- Analog IC - Other Type
- SWITCHING CONTROLLER
- Current - Output
- 20?A
- Frequency (Max)
- 1.32MHz
- Control Mode
- CURRENT-MODE
- Frequency - Switching
- 1.2MHz
- Input Voltage (Max)
- 26V
- Control Technique
- PULSE WIDTH MODULATION
- Switcher Configuration
- PHASE-SHIFT
- Height
- 950?m
- Length
- 5mm
- Width
- 5mm
- Radiation Hardening
- No
- RoHS Status
- RoHS Compliant
Download datasheets and manufacturer documentation for Renesas ISL9443IRZ.
Datasheets:
ISL9443IRZ Overview
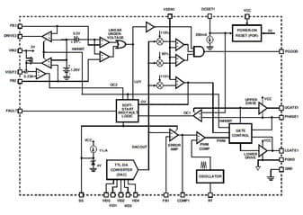
It comes in a QFN package, so switching controller can be used for most applications. This dc motor controller can be used to generate outputs with 3 numbers. A switching controller such as this can switch at a value of 1.2MHz . Switch converters are connected to ICs with SWITCHING CONTROLLER analog outputs. Thare switching converters has a terminal (s) at QUAD . A variety of 32 terminations are available in dc switching. These dc dc converter ics adapt several control methods, including PULSE WIDTH MODULATION. DC switcher's input voltageis 12V volts. The switching converter has a total of 32 pins. Switching converter is a special type of Switching Regulator or Controllers. 4.5V should be the minimum input voltage for the dc dc voltage regulator. The dc to dc regulator is limited to 26V input voltage. This Surface Mount makes DC switcher suitable for most prototypes and applications. As a result, DC to DC voltage regulator has a value of ALSO OPERATES AS LDO REGULATOR so that the need can be met more directly. If the user wishes to run the voltage regulator dc to dc in a circuit safely and reliably, they should apply 12V. Keep dc regulator at a temperature of -40°C or above. Running the machine at 85°C is ideal. Switch converter has 1 total function(s). It is designed to have voltage regulators switchings with 32 pins. 1.32MHz is the maximum frequency at which the controller can switch. Ideally, it is suited for switching controllers with a 20?A input.
ISL9443IRZ Features
Switching Frequency: 1.2MHz
PULSE WIDTH MODULATION
ALSO OPERATES AS LDO REGULATOR
ISL9443IRZ Applications
There are a lot of Intersil (Renesas Electronics America)
ISL9443IRZ DC to DC converter applications.
- Computer application technology
- Network technology
- Automation technology
- CMM
- Various precision measuring instruments
- Various precision measuring detectors
- Flaw detection equipment
- Balance equipment
- Industrial robots
- Industrial controllers
User Guide
Please verify all part numbers, quantities, and packaging preferences before placing your order. If substitutions are acceptable, please indicate this clearly. For time-sensitive projects, confirm estimated delivery dates and stock availability in advance. Once submitted, changes or cancellations may not be possible, especially for items marked as non-cancellable/non-returnable (NCNR). For international shipments, please ensure all import documentation is complete and accurate to avoid delays.
MEANS OF PAYMENTFor your convenience, we accept multiple payment methods in USD, including PayPal, Credit Card, and Wire Transfer. Net terms may be available for qualified customers upon approval.
RFQ (REQUEST FOR QUOTATIONS)Please ensure the part numbers and quantities are accurate and complete when submitting your RFQ.
Provide target prices and acceptable alternatives, if any, to speed up the quotation process.
Quotations are subject to stock availability and may vary with market conditions. Prices and lead times are not guaranteed until a purchase order is confirmed. Ensure your contact details are correct to avoid delays in response.

Step1:Prepare product

Step2:Desiccant Protection

Step3:Vacuum Packaging

Step4:Individual Package

Step5:Anti-collision Filling

Step6:Packaging Box
1. Shipping starts at $40, but some countries will exceed $40. For example (South Africa, Brazil, India, Pakistan, Israel, etc.).
2. Some specific products need to reach the minimum order quantity.
3. It may cost additional remote fees for delivery if you are in a remote area.
Currently, our products are shipped through DHL, FedEx, SF, and UPS.
DELIVERY TIME1. Once the goods are shipped, estimated delivery time depends on the shipping methods you chose: FedEx International, 5-7 business days.
2. For in-stock parts, orders normally could be shipped out within 1-2days.
ISL9443IRZ Relevant information
The following parts are popular search parts in Integrated Circuits (ICs).
AIChipLink – Your Trusted Electronic Components Distributor
12.28 M
Listed Part Number3,000+
Leading Manufacturers4.9 M
In-stock SKU15,000+
Warehouse Area(㎡).png&w=256&q=75)








